Новости:

23.12.2020 18:16:15
25.11.2020 09:47:05
31.12.2019 19:02:32
13.12.2019 19:17:57
22.09.2019 19:47:46
Подписаться на новости:
или RSS 2.0
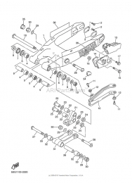
ЗАДНИЙ МАЯТНИК Главная » ОРИГИНАЛЬНЫЕ ЗАПЧАСТИ » YAMAHA » YZ250F » 2002 » ЗАДНИЙ МАЯТНИК

Отзывы о продукте №27 БОЛТ YAMAHA YZ250F RSS 2.0

Нет отзывов об этом продукте

Написать отзыв

Имя:
Тема:
Ваш отзыв:
 
Введите число, изображенное на рисунке
code
 

О компании "MOTOCROSS-PARTS"

Многолетний опыт работы в сфере мото индустрии, мотоспорта и тщательный мониторинг спроса потребителей позволяют нам неуклонно расширять ассортимент высококачественных мототоваров. У нас Вы можете приобрести мототовары различных брэндов. Мы можем проконсультировать Вас по любому интересующему вопросу в телефонном режиме, и помочь подобрать Вам то, что вам действительно нужно, исходя из Ваших потребностей.
Работа с производителями напрямую позволяет предложить ВАМ максимально низкие цены на территории России!