| Товары: | Интернет-магазин: У НАС ВЫ НАЙДЕТЕ ВСЕ ЧТО СВЯЗАНО С МОТОКРОССОМ... |
|
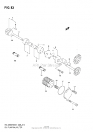
Главная » ОРИГИНАЛЬНЫЕ ЗАПЧАСТИ » SUZUKI » RMZ450 » 2005 » МАСЛОНАСОС |

Нет отзывов об этом продукте
Многолетний опыт работы в сфере мото индустрии, мотоспорта и тщательный мониторинг спроса потребителей позволяют нам неуклонно расширять
ассортимент высококачественных мототоваров. У нас Вы можете приобрести мототовары различных брэндов. Мы можем проконсультировать Вас по любому
интересующему вопросу в телефонном режиме, и помочь подобрать Вам то, что вам действительно нужно, исходя из Ваших потребностей.
Работа с производителями напрямую позволяет предложить ВАМ максимально низкие цены на территории России!